6+ Murray Snowblower Parts Diagram


Murray 1696273 01 7522es Murray 8 Gross Tp 22 Single Stage Snowthrower 2014 Parts Diagrams


C950 52544 0 Craftsman Snowblower Parts List Dr Mower Parts


Murray 620000x30nd Single Stage Snow Thrower 2006 Parts Diagrams


C950 52818 0 Craftsman 27 Snowblower Parts List Dr Mower Parts


Murray 629108x5b Dual Stage Snow Thrower 2004 Parts Diagrams


Murray 620000x30nd Single Stage Snow Thrower 2006 Parts Diagrams


Murray 629106x83b Dual Stage Snow Thrower 2004 Ereplacementparts Com


Craftsman Snowblower Parts Manual 944 527390


Craftsman 29 Snowblower Parts List For Models C950 52310 0 C950 52311 Dr Mower Parts


Murray 1695426 29 Dual Stage Snowthrower 6291670x196 2007 Ereplacementparts Com


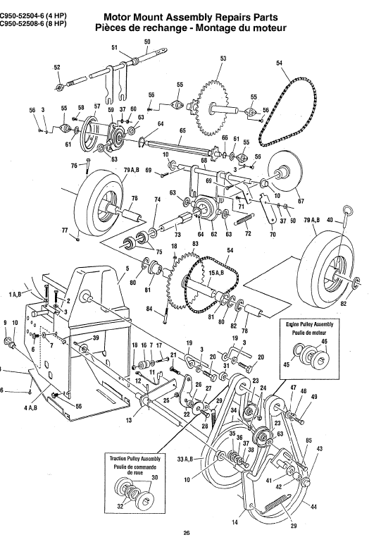
Craftsman Snowblower Parts List For Models C950 52504 6 C950 52508 6 Dr Mower Parts


Murray 624808x4f 24 Dual Stage Snowthrower 2005 Ereplacementparts Com


Craftsman Snowblower Parts Manual 944 528396


Murray 622505x0b Dual Stage Snow Thrower Ereplacementparts Com


Official Murray 629104x6a Gas Snowblower Parts Sears Partsdirect


Murray 1695539 Murray 24 Dual Stage Snowthrower 2008 Parts Diagrams


Official Murray 627804x6c Gas Snowblower Parts Sears Partsdirect


Murray 624808x4c Dual Stage Snow Thrower 2001 Parts Diagram For Engine

Iklan Atas Artikel

Iklan Tengah Artikel 1

Iklan Tengah Artikel 2

Iklan Bawah Artikel